直流系统的用电负荷极其重要,主要为继电保护、控制、信号、计算机监控、事故照明及交流不间断电源等提供电力保障,因此对供电的可靠性要求极高。直流系统的可靠性是确保变电站安全运行的关键因素之一。
直流系统分布范围广、外露部分多、电缆数量大且较长,易受尘土和潮气侵蚀,导致部分绝缘薄弱元件绝缘性能下降,甚至出现绝缘破坏而引发直流接地现象。造成直流接地的原因主要包括以下几个方面:
1、二次回路使用的绝缘材料质量不达标,绝缘性能差,或因年久失修、严重老化而导致绝缘劣化;此外,还可能存在机械损伤(如磨损、砸伤、压伤、扭伤)或过流造成的烧损等问题。
2、二次回路及设备表面积污严重、受潮或接线盒进水,使直流对地绝缘水平显著降低。
3、小动物(如老鼠、蜈蚣等)进入带电区域,或金属异物(如裸露线头、未使用的螺丝、垫圈等)掉落在元件上,也可能引起直流接地故障。
在直流系统中,最危险的是两点接地故障,可能带来严重后果。一旦发生两点接地,就可能形成接地短路,导致继电保护、信号及自动装置误动或拒动,甚至造成直流保险熔断,从而使保护及控制回路失去电源。在复杂的保护回路中,同极两点接地还可能将某些继电器短接,使其无法正常跳闸,从而引发越级跳闸等严重问题。
1、当直流正极发生接地时,可能导致保护及自动装置误动作。通常情况下,跳闸、合闸线圈及继电器线圈的一端与负极相连,若这些回路再发生另一点接地,则可能触发误动作,例如误合闸、误发信号等。
2、当直流负极发生接地时,可能导致保护及自动装置拒动。因为跳闸、合闸线圈及继电器线圈若在该回路中再次发生一点接地,其线圈会被接地点短接而无法正常动作。同时,直流回路中的短路电流还可能烧毁继电器触点,导致电源保险熔断,进而使保护及操作电源失效。两点接地还可能导致开关无法合闸。
直流系统接地故障不仅影响设备的正常运行,更对整个电力系统的稳定性和安全性构成威胁。因此,《规程》明确规定,在以下情况下应立即停止直流网络上的所有工作,并开展接地点查找工作,防止两点接地的发生:
1、当直流电源电压为220V时,接地电压达到50V及以上;
2、当直流电源电压为24V时,接地电压达到6V及以上。

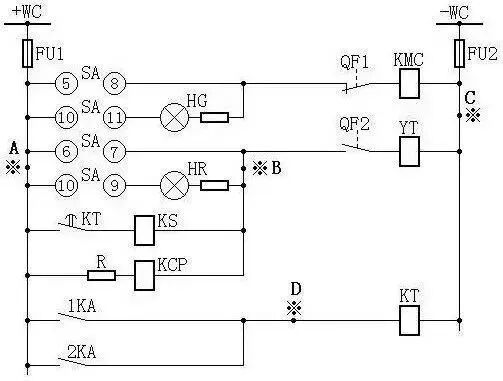
实例:现以上图为例说明直流接地的危害。当图中A点与C点同时有接地出现时,等于+WC、-WC通过大地形成短路回路,可能会使熔断器FU1和FU2熔断而失去保护电源;当B点与C点同时有接地出现时,等于将跳闸线圈短路,即使保护正常动作,YT跳闸线圈短路,即使保护正常动作,YT跳闸线圈也不会起动,断路器就不会跳闸,因此在有故障的情况下就要越级跳闸;当A点与B点或A点与D点,同时接地时,就会使保护误动作而造成断路器跳闸。直流接地的危害不仅仅是以上所谈的几点,还有许多,在此不一一作介绍了。
查找直流接地故障的一般顺序和方法如下:
1. 分清接地故障的极性,分析故障发生的原因。
2. 若站内二次回路正在进行工作,或有设备处于检修或试验状态,应立即停止相关作业,断开其工作电源,观察信号是否消失。
3. 采用分网法缩小查找范围,将直流系统划分为若干个相互独立的部分。注意:不得使保护失去电源,操作电源应优先使用蓄电池供电。
4. 对于不重要的直流负荷及无法转移的分路,可采用“瞬时停电”的方法检查该分路是否存在接地故障。
5. 对于重要的直流负荷,应采用转移负荷法检查该分路是否存在接地故障。
查找直流系统接地故障时,应随时与调度联系,并由两人及以上配合进行,一人操作,一人监护并监视表计指示和信号变化。采用瞬时停电法选择直流接地时,应按以下顺序进行:
① 断开现场临时工作电源;
② 断合事故照明回路;
③ 断合同信电源;
④ 断合附属设备;
⑤ 断合充电回路;
⑥ 断合合闸回路;
⑦ 断合信号回路;
⑧ 断合操作回路;
⑨ 断合蓄电池回路。
若经过上述各项检查仍未查出故障点,则应考虑存在同极性的两点接地。一旦确认接地点位于某一回路,若有环路应先解环,再进一步采用取保险和拆端子的方法,直至找到并消除故障点。
1. 进行直流电源瞬时停电前,应征得调度同意,停电时间不应超过3秒,操作要迅速,以防保护电源及重合闸电源中断过长。
2. 为防止误判断,在观察接地现象是否消失时,应综合信号、光字牌以及绝缘监察表计的指示情况进行判断。
3. 尽量避免在高峰负荷时段进行查找操作。
4. 注意防止人为造成短路或另一点接地,以免引发误跳闸。
5. 应根据符合实际的图纸进行操作,防止拆错端子线头,恢复接线时不得遗漏或接错;所拆线头应做好记录并标记清楚。
6. 使用仪表进行检查时,所用表计的内阻应不低于2000Ω/V。
7. 查找故障必须由两人及以上共同进行,确保人身安全,做好监护工作,防止触电事故发生。
8. 防止保护误动作,必要时可在断开操作电源前退出可能误动的保护,待操作电源恢复正常后再重新投入保护。